登录
注册
欢迎您:
会员中心
退出登录
首页
《煤气与热力》
杂志介绍
杂志编委
客户展示
杂志订阅
写作指导
论文搜索
期刊索引
广告征订
燃气研讨会
供热研讨会
编委会单位委员
行业动态
“十三五”规划
法规标准
招标公告
学会动态
新闻与热点
看新闻·燃气
看新闻·供热
聚焦热点
资料超市
会议论文集
杂志订阅
其他
联系我们
首页
>
论文搜索
论文预览
干式煤气罐油泵系统的自控
论文作者
曾晨
杂志期数
2000年6月刊
关键词
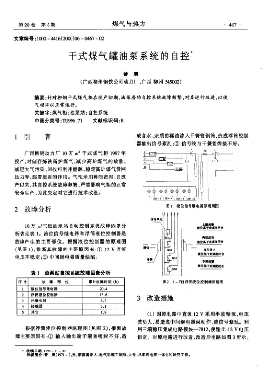
煤气柜;油泵站;自控系统
作者单位
曾晨(广西柳州钢铁公司动力厂,广西柳州 545002)
下载论文
论文免费注册会员后免费下载